2008年建材工業運行特點
生產增長呈下滑態勢
2008年上半年,建材工業完成增加值2366億元,比上年同期增長24.8%,從第二季度開始建材工業增加值出現下滑態勢,下半年下滑趨勢尤為明顯,盡管9月份和12月份建材工業增加值增長速度有所反彈,但總體上仍呈下滑態勢。
圖1 2008年1月以來建材工業增加值增長率

與固定資產投資、基礎設施建設、房地產市場密切相關的水泥制造業、水泥制品業、建筑技術玻璃制造業和以出口為主的玻璃纖維制造業增加值下滑幅度較大。
水泥制造業2008年6月份當月增加值比上年同期增長9.6%,9月份下降到了6.6%,11月份下降到了3.5%,12月份為4.3%。盡管12月比11月增速略有加快,但仍低于2008年3~10月份各月增加值增長速度。
水泥制品業2008年6月份當月增加值比上年同期增長28%,8月份下降到了11.4%,11月份下降到了10%,12月份為16.4%,比11月份增速略有加快,但仍低于2008年上半年各月增加值增長速度。
建筑技術玻璃制造業2008年6月份當月增加值比上年同期增長18.8%,10月份下降到了13.4%,11月份下降到了10.2%,12月份增加值增長率繼續下降,已降至5.1%,是2008年月度最低增長率。
玻璃纖維及制品制造業2008年6月份當月增加值比上年同期增長32.8%,10月份下降到了31.2%,11月份下降到了26.9%,12月份增加值增長率繼續下降,已降至25.6%,是2008年下半年月度最低增長率。
主要產品產量增速回落或下降
受國際國內市場需求變化的影響,建材主要產品產量增速呈現回落或下降趨勢。
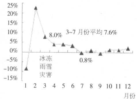
水泥2008年全國水泥產量為14億噸,比上年增長3%,增速同比回落7個百分點,年增長率是2000年以來最低增長速度。上半年盡管有南方低溫雨雪冰凍災害和汶川地震的影響,但2008年前7個月全國水泥累計產量同比仍增長了5%,其中3~7月份,全國月水泥產量同比增長率達到了7.6%。8月份以后全國水泥產量增速明顯減緩,8~11月份,全國月水泥產量同比僅增長了0.2%,12月份雖有反彈,但增長率也僅為2.1%,顯然,需求不足是導致水泥產量增速減緩的主要原因。
圖2 2008年水泥月產量同比增長速度

平板玻璃2008年上半年全國平板玻璃月產量同比增長13%。進入下半年,全國平板玻璃生產和銷售形勢急轉直下,下半年全國平板玻璃月產量同比下降4%。2008年全國平板玻璃產量為5.74億重量箱,比上年增長3.9%,增速同比回落10個百分點。平板玻璃出口減緩,鋼化、夾層和中空等技術玻璃的拉動作用減弱,房地產市場的持續低迷是影響平板玻璃產量下滑的主要原因。受市場需求減緩的影響,部分浮法玻璃企業被迫停產或減產,2008年末全國停產浮法玻璃企業30多家,部分停產企業(部分生產線停產)40多家,停產及半停產企業的總生產能力約1.2億重量箱,占全國總生產能力的20%。2008年12月份河北沙河普通平板玻璃企業全部停產。
圖3 2008年平板玻璃月同比增長速度

陶瓷磚在連續6年保持較快增長之后,2008年陶瓷磚產量增速明顯回落,2008年全國陶瓷磚產量為61.9億平方米,比上年增長10.4%,增速同比回落5.8個百分點,這也是2002年以來陶瓷磚產量增長速度最低的一年。主要產區產量下滑趨勢明顯,尤其是2008年12月份尤為突出,2008年12月份當月廣東、福建、山東和四川陶瓷磚產量分別下降了30%、38.5%、38.6%和12.3%。由于市場需求的不確定性因素增多,對生產產生了一定的影響,陶瓷磚產量月度增長率波動性大,高起高落。
衛生陶瓷2008年全國衛生陶瓷產量為1.55億件,比上年下降2.8%,這也是2000年以來衛生陶瓷產量增長率首次下降,產量下降主要是受出口減少和廣東陶瓷業產業結構調整兩方面因素的影響。從2008年7月份開始全國衛生陶瓷累計產量增長率呈持續下降態勢,其中廣東佛山衛生陶瓷累計產量下降幅度較大,與上年相比下降了20.1%。
此外,2008年大理石板材和規模以上磚產量與上年相比增速有所加快;花崗石板材,商品混凝土,水泥混凝土樁,石膏板,中空、鋼化和夾層玻璃產量與上年相比增速有所回落;規模以上瓦產量下降;玻璃纖維紗產量繼續保持較快增長態勢。為了減少庫存積壓,緩解市場競爭壓力,部分玻璃纖維生產企業采取提前冷修、新線延期點火等措施,第四季度玻璃纖維紗產量快速增長態勢有所減緩。
國際市場復雜多變,出口壓力增大
2008年建材商品出口180.4億美元,比2007年增長18.4%,剔除價格上漲因素后,實際出口數量僅增長了3.7%,是1997年亞洲金融風暴以來最低增長率。隨著國際金融危機的不斷加深,國際市場需求的減少,建材商品出口面臨的形勢會更加嚴峻。從月度出口情況看,月度出口額同比增長速度已由2008年10月份的20.5%,下降到11月份的6%和12月份的4.8%,剔除價格變動因素,11月份當月建材商品實際出口數量比上年同月下降了5.6%,12月份當月建材商品實際出口數量比上年同月有所增長。縱觀2008年建材工業出口情況,具有兩個特點:
一是主要出口商品下降或增速減緩。2008年水泥及水泥熟料、平板玻璃、玻璃纖維織物、花崗石類制品等主要商品出口量同比下降,分別出口2604萬噸、2.5億平方米、12.06萬噸和810萬噸,與上年相比,分別下降21.1%、12.8%、11.7%和0.6%。2008年大理石類制品,衛生陶瓷和玻璃纖維紗等主要出口商品均保持了增長,但增長速度均有較大幅度的回落。2008年大理石類制品出口126萬噸,比上年增長2.9%,增速同比回落24.4個百分點;衛生陶瓷出口5632萬件,比上年增長1.9%,增速同比回落6.3個百分點;玻璃纖維紗出口69萬噸,比上年增長22.4%,增速同比回落17.3個百分點。
二是出口多元化格局的形成,分散了企業國際市場風險。隨著美國、歐元區等西方主要經濟體經濟陷入衰退,2008年我國建材商品的出口格局發生了一些新的變化,對美國的出口下降,對歐盟的出口增速明顯減緩,但對中東地區和俄羅斯等國家和地區的出口保持了較快增長,多元化的出口格局及出口商品結構的改善分散了部分建材企業國際市場經營風險。
練內功、增實力、創品牌是根本。建材商品出口約占建材工業銷售額的9%,出口穩定增長有利于建材工業健康發展,尤其是對以出口為主的衛生陶瓷和玻璃纖維行業來說尤為重要。面對復雜多變的國際市場,企業必須練內功、增實力,開發具有自主知識產權的產品。雖然近年來建材出口商品的結構有所改善,國際市場不斷擴大,但具有自主知識產權的產品仍很少,今后國際市場的競爭將是實力和品牌的競爭,誰擁有自己的品牌,誰就能夠提高抵御國際市場風險的能力。
產品出廠價格呈“前升后降”態勢
2008年前10個月建材產品出廠價格平穩上漲,后兩個月連續下降,總體呈現“前升后降”態勢,2008年12月份建材產品出廠價格環比指數降至99.5%,與11月份相比下降了0.5%。
水泥出廠價格呈“前升后降”態勢,浙江水泥價格降幅較大。從2008年水泥價格運行情況看,前10個月呈現平穩上漲,后兩個月呈連續下降態勢。水泥出廠價格由2008年1月份的每噸257元,上漲到10月份的每噸291元,11月份和12月份呈連續下降態勢,12月份水泥出廠價格每噸為288元,比11月份下降1.1元,其中強度等級42.5水泥出廠價格每噸為307元,比11月份下降1.7元;強度等級32.5水泥出廠價格每噸為269元,比11月份下降1元。2008年前8個月浙江水泥價格呈平穩上漲態勢,8月份價格最高,每噸為280元,9月份以后浙江水泥出廠價格呈持續較快下降態勢,12月份每噸為246元,比11月份下降了9元,下降幅度較大,12月份浙江水泥出廠價格已低于山東和河北兩省,是全國水泥價格最低的省份,12月份浙江衢州水泥價格每噸僅為225元,比12月份全國平均水平低63元。市場需求的減緩和煤炭購進價格下降是導致水泥出廠價格下降的主要原因。
平板玻璃出廠價格在波動中下降。前11個月平板玻璃出廠價格維持在每重量箱70元上下波動,12月份降至2008年以來的最低點,每重量箱為65元,比11月份下降4.4元,各檔次平板玻璃均有不同程度的下降,其中優質浮法玻璃出廠價格每重量箱為88元,比11月份下降3.2元;普通浮法玻璃出廠價格每重量箱為65元,比11月份下降5.4元;普通平板玻璃出廠價格每重量箱為51元,比11月份下降1.3元。價格出現大幅下降的原因主要有兩方面:一是平板玻璃新增生產能力增長過快,2008年上半年新增生產線8條,新增生產能力3158萬重量箱,隨著市場需求的下降,供大于求的矛盾日益突出,2008年平板玻璃產銷率為97.5%,比上年下降了近1個百分點;二是2008年10月份以后重油、純堿等原燃材料購進價格有所下降。在市場銷售不好的情況下,企業為了擴大市場份額,盡快回籠資金,往往會采取靈活的銷售策略,但從目前平板玻璃企業的盈利情況看,價格繼續大幅下降的可能性較小。
圖4 2008年各月平板玻璃價格變動趨勢

玻璃纖維紗出廠價格下降。2008年玻璃纖維紗價格運行態勢總體呈現在波動中下降的趨勢,前4個月呈現在波動中上升的趨勢,且4月份價格最高,達到了每噸7248元,5月份開始價格呈現在波動中下降的趨勢,且12月份價格降至2008年1月份以來的最低點,每噸平均為6727元,比11月份又下降了136元。影響玻璃纖維紗價格下降的主要原因是新增生產能力集中釋放,出口減緩,造成國內市場供大于求。
圖5 2008年各月玻璃纖維紗價格變動趨勢

固定資產投資較快增長,東部地區投資減緩
在2007年快速增長的基礎上,2008年建材工業固定資產投資繼續保持較快增長態勢,全年固定資產投資完成額達3604億元,比上年增長50.9%。其中水泥制造業固定資產投資完成額為964億元,比上年增長69.8%,投資主要集中在水泥工業的結構調整,2008年全國共有50條新型干法水泥熟料生產線建成投產,形成水泥熟料生產能力6000萬噸。
從地區看,2008年東部地區固定資產投資增長29.4%,增速同比回落10.6個百分點,北京、上海和廣東固定資產投資完成額同比分別下降23.7%、22.2%和13.8%;中西部地區固定資產投資快速增長,與上年相比,分別增長62.6%和70.3%,江西和寧夏固定資產投資完成額同比分別增長130.9%和298.6%。
圖6 各地區固定資產投資完成額增長率

結構繼續改善,行業集中度明顯提高
水泥、平板玻璃和玻璃纖維紗等主要產業結構繼續改善。2008年新型干法水泥熟料產量同比增長了15.7%,而立窯等其他水泥熟料的產量同比則下降了15.1%,新型干法水泥熟料比重由2007年年末的51%提高到了目前的61%;浮法玻璃比例達到了83.5%;池窯玻璃纖維紗比例達到了74%。
行業集中度明顯提高。2008年,年生產規模在1000萬噸以上的水泥企業(集團)16家,其水泥熟料產量已占到全國水泥熟料產量的32%;年生產能力在3000萬重量箱以上的平板玻璃企業(集團)8家,其平板玻璃產量已占到全國平板玻璃總產量的44%;巨石、泰山、重慶、必成、金晶5家企業(集團)玻璃纖維紗產量已占到全國玻璃纖維紗總產量的64%;泰山、北新、可耐福、拉法基、圣戈班、平邑中興、南樂的津華和華泰8家企業(集團)石膏板產量已占到全國石膏板總產量的52%。
利潤總額保持增長,但增速大幅回落
2008年建材工業實現利潤總額為950億元,比上年增長10%,增速同比回落53個百分點,呈現大幅回落態勢。首先,利潤總額保持增長主要得益于產品價格的上漲,2008年建材產品出廠價格比上年上漲了8.4%,水泥出廠價格每噸比上年上漲了34.7元。價格上漲的背后是建材工業結構調整的結果。結構調整促進了大型企業集團的快速發展,提高了區域市場調控能力,抑制了不正當競爭,使原燃材料及動力漲價因素能夠實現合理傳導;此外,節能減排和發展循環經濟又起到了降低成本、增加利潤的功效,多種因素疊加促進了利潤總額的增長。
利潤總額增速大幅回落主要是由于成本費用增速加快,降低了盈利空間。2008年1~11月建材工業主營業務成本增長了31.5%,比主營業務收入增長率高0.5個百分點,這就意味著建材產品價格的上升所產生的銷售收入,未能完全消化成本上漲所增加的支出,未消化的成本將沖減主營業務利潤,使主營業務利潤率同比下降,2008年1~11月建材工業主營業務利潤率為14.8%,比上年同期下降了2.2個百分點,盈利能力降低,企業利潤總額減少。
從主要行業看,平板玻璃和衛生陶瓷制造業目前受到的沖擊相對較大,利潤總額同比下降。平板制造業利潤總額同比下降幅度最大,2008年1~11月平板玻璃制造業實現利潤總額為1.48億元,比上年同期下降94.3%,比1~5月份最高利潤總額5.73億元,減少了4.25億元,累計銷售利潤率只有0.3%,已跌至全行業虧損邊緣;2008年1~11月衛生陶瓷制造業實現利潤總額為11.6億元,比上年同期下降12.6%,主營業務成本增長比主營業務收入增長高4.3個百分點,成本的過快增長值得關注。
水泥制造業、建筑陶瓷制造業和玻璃纖維及制品制造業也受到了嚴重的沖擊,利潤總額增速同比分別下降了34%、30.3%和38.4%;此外,建筑用石裝飾與加工制造業利潤總額同比下降幅度也超過了20%。隨著玻璃纖維紗價格的繼續下降,銷售的低迷,庫存的增大,管理、財務和營業費用的快速增長,預計2009年第一季度玻璃纖維及制品受到的沖擊會加大,玻璃纖維及制品制造業利潤總額同比下降的可能性極大。
從經濟類型看,經濟效益增速回落最快的是國有控股企業。2008年1~11月國有控股企業實現利潤總額為90億元,比上年同期增長13.5%,增速同比回落84.8個百分點;私人控股企業實現利潤總額為574億元,比上年同期增長36.3%,增速同比回落31.1個百分點;集體和外商控股企業利潤總額增長速度,同比分別回落9.3個和23.1個百分點;港澳臺商控股企業實現利潤總額同比下降11.2%。
圖7 主要行業利潤總額對比(億元)

從地區看,經濟效益增速回落最快的是中部地區,而西部地區繼續保持增長態勢。2008年1~11月東部地區實現利潤總額為470億元,比上年同期增長13.9%,增速同比回落33.2個百分點;中部地區實現利潤總額為263億元,比上年同期增長33.1%,增速同比回落63.2個百分點,黑龍江和湖南利潤總額同比回落幅度較大,分別回落了296個和101個百分點;西部地區實現利潤總額比上年同期增長67.5%,增速同比加快2.4個百分點。
圖8 各地區利潤總額增長率對比

發展中存在的主要問題
生產成本居高不下,虧損企業虧損額增加
盡管2008年12月份能源購進價格比上月下降2.1%,但高位運行態勢不會有大的改變,建材工業面臨的成本壓力依然較大。2008年全年平均煤炭購進價格每噸比上年上漲了147元,電力每千瓦時上漲了0.04元,重油每噸上漲了755元,天然氣每立方米上漲了0.23元,僅煤炭、電力、重油、天然氣漲價增加成本支出約370億元。此外,虧損企業虧損額增大,2008年1~11月虧損企業虧損額達到了100億元,比上年同期增長40.3%。其中平板玻璃企業虧損面達30.6%,比上年同期增加11.2個百分點,虧損企業虧損額達14.8億元,是上年同期的3.5倍。隨著國際國內市場對建材產品需求的趨緩,建材產品價格繼續下降的可能性很大,企業經濟效益將繼續下滑,面臨的經營壓力會更大。
產成品庫存增長加快,資金占用增大
受國際國內需求減緩的影響,2008年建材產品銷售率為97.8%,比去年下降0.3個百分點,銷售下降,導致庫存增加。2008年11月末建材工業產成品資金占用達871億元,比上年同期增加184億元,增長26.8%。玻璃纖維及制品和建筑技術玻璃制造業尤為突出,產成品庫存資金同比分別增長了81.4%和34.5%。從實物量上看,2008年12月末,玻璃纖維紗庫存超過了20萬噸,庫存積壓之大是歷年從未有過的;平板玻璃庫存達到了3970萬重量箱,比11月末增加了170萬重量箱,企業資金周轉困難增大。
圖9 2007年2月份以來建材工業產成品庫存

回款難度增加,資金壓力加大是2008年玻纖行業面臨的突出問題。在目前玻璃纖維市場供大于求的環境下,使得供方及時收回貨款的難度加大。一方面,庫存增加占用大量流動資金,另一方面,產品銷售后不能及時收回貨款,也等于占用了供貨企業的資金,在這種雙重壓力下企業的資金緊張局面顯得尤為突出。2008年11月末玻璃纖維制造業應收賬款余額達57億元,比上年同期增長14.7%。由于資金不能及時收回,為了保證正常的生產經營,企業加大舉債經營力度,2008年1~11月玻璃纖維制造業資產負債率達59.1%,比2007年平均水平高6.6個百分點,而舉債經營又增加了企業的利息支出負擔,2008年1~11月玻璃纖維制造業利息支出達9.8億元,比上年同期增長了42.1%。從目前玻璃纖維的銷售態勢看,不僅僅是企業間產品的競爭,更是企業間綜合實力的較量。
2009年形勢展望
隨著美國次貸危機升級為世界金融危機,世界主要經濟體陷入衰退的風險不斷加大,國內房地產、鋼鐵、汽車等主要支柱產業產銷大幅下滑,保證中國經濟保持平穩較快增長成為當前宏觀調控的首要任務。應當看到,我國經濟發展的基本面是好的,國際金融危機對我國金融和經濟會帶來一定的影響,但這種影響是有限的、可控的,我國政府已采取了一系列靈活、審慎的宏觀經濟政策,維護金融穩定和促進經濟平穩較快增長,對此我們應當堅定信心。特別是我國仍處在工業化、城市化和產業結構升級過程中,國內市場的穩定增長,對建材產品的需求不會改變。對金融危機的影響,我們要冷靜思考,采取措施積極應對,把可能造成的損失降到最低。
有利因素:⒈擴內需、保增長、增活力。為擴大內需,促進經濟平穩較快增長,2008年11月5日中央出臺了用4萬億元投資保經濟增長的10項措施。隨著這些措施的具體落實及資金的逐步到位,對經濟增長的拉動作用會有所顯現,固定資產投資規模的擴大、基礎設施建設的加快,都會增加對建材產品的需求。此外,2009年中央將繼續針對形勢的快速發展變化,加強宏觀調控的預見性、針對性、有效性,采取強有力的措施來擴大內需,把擴大居民消費需求放在更加突出的位置,增強消費需求對經濟增長的拉動作用。國內經濟保持平穩較快增長,就會對建材產品形成穩定的需求。
⒉國家實行適度寬松的貨幣政策,促進貨幣信貸穩定增長,保持銀行體系流動性充足,發揮貨幣政策在支持經濟增長中積極作用,這對恢復市場信心會起到一定的促進作用,從而也有力地支撐了建材市場的平穩運行。
不利因素:⒈固定資產投資的拉動作用尚不明顯。2008年前11個月全國城鎮固定資產投資同比增長26.8%,增速與上年同期持平,增幅比1~10月回落0.4個百分點;全國房地產投資同比增長22.7%,增幅比1~10月回落1.9個百分點;全國新開工項目計劃總投資同比增長5.4%,增幅比1~10月加快2.2個百分點。2008年全國房地產市場持續低迷,全國新開工項目投資增長速度還相對較慢,對建材工業增長的拉動作用尚不明顯。
⒉出口增長減緩對建材工業的拉動減弱。隨著世界金融危機的不斷擴大,企業面臨的外部環境更加復雜,世界經濟增長的減緩、金融市場的動蕩、貿易摩擦的增多,都將給建材企業的生產經營帶來許多不確定性因素,建材商品出口將繼續呈現減緩趨勢,對建材工業增長的拉動作用將會繼續減弱。
⒊成本壓力依然較大。盡管2008年10月份以后建材企業的重油、柴油、煤炭購進價格有所回落,但高位運行的態勢并沒有改變,建材企業面臨的成本壓力依然很大。特別是2009年1月1日起執行成品油消費稅新稅率,將燃料油和柴油的消費稅單位稅額由每升0.1元提高到每升0.8元,僅此稅率調整,2009年建材企業將多增加稅費支出60多億元。燃料油(重油)是平板玻璃企業的主要燃料,重油消耗成本約占平板玻璃生產成本的60%,這對于在困境中掙扎的平板玻璃企業來說,無疑是雪上加霜。
綜合分析面臨的各種形勢,預計2009年建材工業完成增加值5900億元,按可比價格計算增長16%;建材工業實現主營業務收入18700億元,增長15%,利潤總額900億元,下降5%;建材商品出口185億美元,增長3%。預計2009年水泥產量達14.6億噸,增長4.3%;平板玻璃產量達6.1億重量箱,增長3.7%。
表一 2008年建材商品主要出口國家和地區
金額:萬美元

煤炭網版權與免責聲明:
凡本網注明"來源:煤炭網www.wxzkbxg.com "的所有文字、圖片和音視頻稿件,版權均為"煤炭網www.wxzkbxg.com "獨家所有,任何媒體、網站或個人在轉載使用時必須注明"來源:煤炭網www.wxzkbxg.com ",違反者本網將依法追究責任。
本網轉載并注明其他來源的稿件,是本著為讀者傳遞更多信息的目的,并不意味著本網贊同其觀點或證實其內容的真實性。其他媒體、網站或個人從本網轉載使用時,必須保留本網注明的稿件來源,禁止擅自篡改稿件來源,并自負版權等法律責任。違反者本網也將依法追究責任。 如本網轉載稿件涉及版權等問題,請作者在兩周內盡快來電或來函聯系。
網站技術運營:北京真石數字科技股份有限公司、喀什中煤遠大供應鏈管理有限公司、喀什煤網數字科技有限公司
總部地址:北京市豐臺區總部基地航豐路中航榮豐1層
京ICP備18023690號-1 京公網安備 11010602010109號
